概述
XZ-C型轴销式荷重传感器,采用轴销式双孔结构,具有结构简单、性能稳定、抗偏载、安装方便等特点、广泛用于天车称、作升降起重设备超载警元件。
主要技术指标
非线性误差 ≤±0.5℅F.S
滞后误差 ≤±0.5℅F.S
重复性误差 ≤±0.25℅F.S
输出灵敏度 1~1.5mV/V
温度零点影响 0.04℅F.S/℃
输出阻抗及桥压 700Ω/10VDC
绝缘电阻 ≥2000ΜΩ
过载能力 150℅F.S
工作环境温度 -10℃~+55℃
系列规格 1、2、2.5、3、5(t)
变送输出 0~5VDC 0~10VDC 1~5VDC 0~10mA 0~20mA 4~20mA
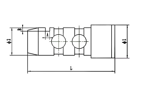
外形尺寸单位(mm)
XZ-C型轴销式荷重传感器,采用轴销式双孔结构,具有结构简单、性能稳定、抗偏载、安装方便等特点、广泛用于天车称、作升降起重设备超载警元件。
主要技术指标
非线性误差 ≤±0.5℅F.S
滞后误差 ≤±0.5℅F.S
重复性误差 ≤±0.25℅F.S
输出灵敏度 1~1.5mV/V
温度零点影响 0.04℅F.S/℃
输出阻抗及桥压 700Ω/10VDC
绝缘电阻 ≥2000ΜΩ
过载能力 150℅F.S
工作环境温度 -10℃~+55℃
系列规格 1、2、2.5、3、5(t)
变送输出 0~5VDC 0~10VDC 1~5VDC 0~10mA 0~20mA 4~20mA
外形尺寸单位(mm)
| 测量范围及型号 | Φ1 | Φ2 | L | A | B |
| 0~5(t) | 48 | 39 | 123 | 6 | 5 |


